Product Summary
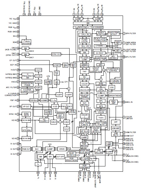
The TA1360ANG integrates an analog component signal (YCbCr/YPbPr) processor and sync processor in a 56-pin shrink DIP plastic package. The IC is ideal for digital TVs, progressive TVs, and double scan TVs. The luminance block and the color difference block incorporate the high performance signal processing circuits. The sync processor block supports 525I/60, 625I/50, 525P/60, 625P/50, 1125I/50, 1125I/60, 750P/60, (750P/50), PAL100 Hz, NTSC120 Hz, and SVGA/60(VESA). The TA1360ANG incorporates the I2C bus. The device can control various functions via the bus line.
Parametrics
Absolute maximum ratings: (1)Power supply voltage (pins 19, 40, 55), VCCmax9: 12 V; (2)Power supply voltage (pin 29), VCCmax2: 2.5 V; (3)Input pin voltage, Vin: GND – 0.3 to VCC + 0.3 V; (4)Power dissipation, PD: 2551mW for PCB A; 2717mW for PCB B; 3378 mW; for PCB C; (5)Power dissipation reduction rate depending on temperature, 1/θja: 20.4mW/℃ for PCB A; 21.7mW/℃ for PCB B; 27.0 mW/℃ for PCB C; (6)Operating temperature, Topr: -20 to 65℃ for PCB A; -20 to 65℃ for PCB B; -20 to 65 ℃ for PCB C; (7)Storage temperature, Tstg: -55 to 150℃ for PCB A; -55 to 150℃ for PCB B; -55 to 150℃ for PCB C; (8)Supply voltage (pins 19, 40, 55): 8.5V min, 8.8v typ, 9.1v max for PCB A; 8.7Vmin, 9.0 v typ, 9.3v max for PCB B; 8.7V min, 9.0v typ, 9.3v max for PCB C.
Features
Features: (1)Black stretch circuit and DC restoration rate correction circuit; (2)Dynamic correction circuit (gray scale correction); (3)SRT (LTI); (4)Y group delay correction (shoot balance correction); (5)High-bright color circuit; (6)Color detail enhancer (CDE); (7)White pulse limiter (WPL); (8)VSM output
Diagrams

| Image | Part No | Mfg | Description | ![]() |
Pricing (USD) |
Quantity | ||||
|---|---|---|---|---|---|---|---|---|---|---|
![]() |
![]() TA1360ANG |
![]() Other |
![]() |
![]() Data Sheet |
![]() Negotiable |
|
||||
| Image | Part No | Mfg | Description | ![]() |
Pricing (USD) |
Quantity | ||||
![]() |
![]() TA1310N |
![]() Other |
![]() |
![]() Data Sheet |
![]() Negotiable |
|
||||
![]() |
![]() TA1316AN |
![]() Other |
![]() |
![]() Data Sheet |
![]() Negotiable |
|
||||
![]() |
![]() TA1317AN |
![]() Other |
![]() |
![]() Data Sheet |
![]() Negotiable |
|
||||
![]() |
![]() TA1372FNG(EL,M) |
![]() Toshiba |
![]() RF Wireless Misc VHF Modulator w/ PLL |
![]() Data Sheet |
![]() Negotiable |
|
||||
![]() |
![]() TA1360ANG |
![]() Other |
![]() |
![]() Data Sheet |
![]() Negotiable |
|
||||
![]() |
![]() TA1370FG |
![]() Other |
![]() |
![]() Data Sheet |
![]() Negotiable |
|
||||
(Hong Kong)









