Product Summary
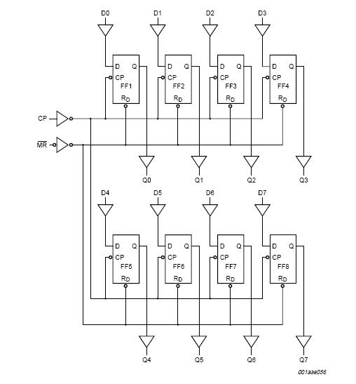
The 74HCT273D is an Octal D-type flip-flop and is pin compatible with Low-power Schottky TTL (LSTTL). The 74HCT273D has eight edge-triggered, D-type flip-flops with individual D inputs and Q outputs. The common clock (pin CP) and master reset (pin MR) inputs load and reset (clear) all flip-flops simultaneously. The state of each D input, one set-up time before the LOW-to-HIGH clock transition, is transferred to the corresponding output (Qn) of the flip-flop.
Parametrics
74HCT273D absolute maximum ratings: (1)VCC supply voltage: -0.5V to +7V; (2)IIK input clamping current VI<-0.5V or VI>VCC + 0.5V: ±20mA; (3)IOK output clamping current VO<-0.5V or VO>VCC + 0.5V: ±20mA; (4)IO output current VO = -0.5V to (VCC + 0.5V): ±25mA; (5)ICC quiescent supply current: 50mA; (6)IGND ground current: 50mA; (7)Tstg storage temperature: -65℃ to +150℃.
Features
74HCT273D features: (1)Ideal buffer for MOS microprocessor or memory; (2)Common clock and master reset; (3)Eight positive edge-triggered D-type flip-flops; (4)Complies with JEDEC standard no. 7A; (5)ESD protection: HBM EIA/JESD22-A114-C exceeds 2000V, MM EIA/JESD22-A115-A exceeds 200 V; (6)Multiple package options; (7)Specified from -40℃ to +85℃ and from -40℃ to +125℃.
Diagrams

| Image | Part No | Mfg | Description | ![]() |
Pricing (USD) |
Quantity | ||||||||||||
|---|---|---|---|---|---|---|---|---|---|---|---|---|---|---|---|---|---|---|
![]() |
![]() 74HCT273D |
![]() NXP Semiconductors |
![]() Flip Flops OCTAL D F/F W/RESET |
![]() Data Sheet |
![]() Negotiable |
|
||||||||||||
![]() |
![]() 74HCT273D,652 |
![]() NXP Semiconductors |
![]() Flip Flops OCTAL D F/F W/RESET |
![]() Data Sheet |
![]()
|
|
||||||||||||
![]() |
![]() 74HCT273D,653 |
![]() NXP Semiconductors |
![]() Flip Flops OCTAL D-TYPE F/F |
![]() Data Sheet |
![]()
|
|
||||||||||||
![]() |
![]() 74HCT273DB,112 |
![]() NXP Semiconductors |
![]() Flip Flops OCTAL D-TYPE |
![]() Data Sheet |
![]()
|
|
||||||||||||
![]() |
![]() 74HCT273DB,118 |
![]() NXP Semiconductors |
![]() Flip Flops OCTAL D-TYPE |
![]() Data Sheet |
![]()
|
|
||||||||||||
![]() |
![]() 74HCT273DB |
![]() NXP Semiconductors |
![]() Flip Flops OCTAL D-TYPE |
![]() Data Sheet |
![]() Negotiable |
|
||||||||||||
![]() |
![]() 74HCT273DB-T |
![]() NXP Semiconductors |
![]() Flip Flops OCTAL D-TYPE |
![]() Data Sheet |
![]() Negotiable |
|
||||||||||||
(Hong Kong)









